Dive in. Get smart. Make some NOISE!
cart icon

1H05

Properties at a glance

  • Cd
    22
    pF
  • CntlChType
    N
    channel
  • FETType
    MOSFET
  • Id
    2
    A
  • Pd
    0.3
    W
  • Qg
    5.8
    Nc max
  • Rds
    0.234
    Ω
  • Tj
    150
    °C
  • tr
    39
    ns max
  • Vds
    100
    V
  • Vgs
    20
    V
  • Vgs(th)
    2.8
    V

Find similar components to the 1H05 by clicking the properties (above) that you want to match.

Component Package & Description

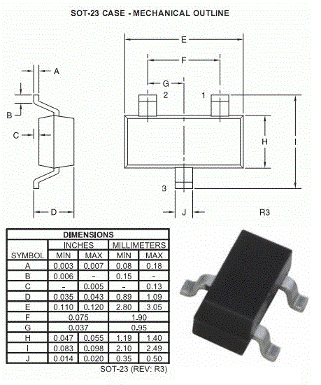
Part number 1H05 is reportedly available in a SOT23 package.

Properties and Attributes

Drain-Source Capacitance Cd
22 pF
Type of Control Channel CntlChType
N channel
FET Type FETType
MOSFET
Maximum Drain Current Id
2 A
Maximum Power Dissipation Pd
0.3 W
Total Gate Charge Qg
max 5.8 Nc
Maximum Drain-Source on-State Resistance Rds
0.234 Ω
Maximum Junction Temperature Tj
150 °C
Rise Time tr
max 39 ns
Maximum Drain-Source Voltage Vds
100 V
Maximum Gate-Source Voltage Vgs
20 V
Maximum Gate-Threshold Voltage Vgs(th)
2.8 V