Dive in. Get smart. Make some NOISE!
cart icon

1HP04CH

Properties at a glance

  • Cd
    2.8
    pF
  • CntlChType
    P
    channel
  • FETType
    MOSFET
  • Id
    0.17
    A
  • Pd
    0.6
    W
  • Qg
    0.9
    Nc
  • Rds
    180
    Ω
  • Tj
    150
    °C
  • tr
    18
    ns
  • Vds
    100
    V
  • Vgs
    20
    V
  • Vgs(th)
    2.6
    V

Find similar components to the 1HP04CH by clicking the properties (above) that you want to match.

Component Package & Description

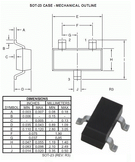
Part number 1HP04CH is reportedly available in a SOT-23 package.

Properties and Attributes

Drain-Source Capacitance Cd
2.8 pF
Type of Control Channel CntlChType
P channel
FET Type FETType
MOSFET
Maximum Drain Current Id
0.17 A
Maximum Power Dissipation Pd
0.6 W
Total Gate Charge Qg
0.9 Nc
Maximum Drain-Source on-State Resistance Rds
180 Ω
Maximum Junction Temperature Tj
150 °C
Rise Time tr
18 ns
Maximum Drain-Source Voltage Vds
100 V
Maximum Gate-Source Voltage Vgs
20 V
Maximum Gate-Threshold Voltage Vgs(th)
2.6 V