Dive in. Get smart. Make some NOISE!
cart icon

1MBC15-060

Properties at a glance

  • Cc
    200
    pF
  • Ic
    24
    A
  • IGBTChType
    N
    channel
  • Pc
    90
    W
  • Tj
    150
    °C
  • tr
    600
    ns
  • Type
    IGBT
  • Vce
    600
    V
  • VCE(sat)
    3
    V
  • Vge
    20
    V
  • VGE(th)
    8.5
    V

Find similar components to the 1MBC15-060 by clicking the properties (above) that you want to match.

Component Package & Description

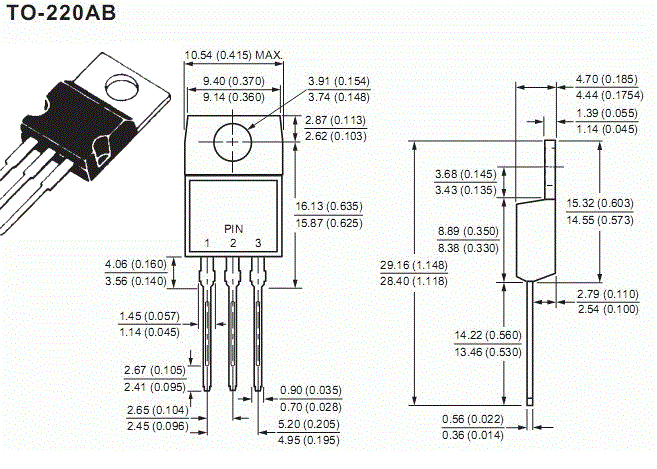
Part number 1MBC15-060 is reportedly available in a TO-220AB package.

Properties and Attributes

Collector Capacity Cc
200 pF
Maximum Collector Current Ic
24 A
Type of IGBT Channel IGBTChType
N channel
Maximum Power Dissipation Pc
90 W
Maximum Junction Temperature Tj
150 °C
Rise Time tr
600 ns
Component Type Type
IGBT
Maximum Collector-Emitter Voltage Vce
600 V
Collector-Emitter Saturation Voltage (typical) VCE(sat)
3 V
Maximum Gate-Emitter Voltage Vge
20 V
Maximum G-E Threshold Voltage VGE(th)
8.5 V