Dive in. Get smart. Make some NOISE!
cart icon

1MBH60-100

Properties at a glance

  • Ic
    60
    A
  • IGBTChType
    N
    channel
  • Pc
    260
    W
  • Tj
    150
    °C
  • Type
    IGBT
  • Vce
    1000
    V
  • VCE(sat)
    3.2
    V
  • Vge
    20
    V

Find similar components to the 1MBH60-100 by clicking the properties (above) that you want to match.

Component Package & Description

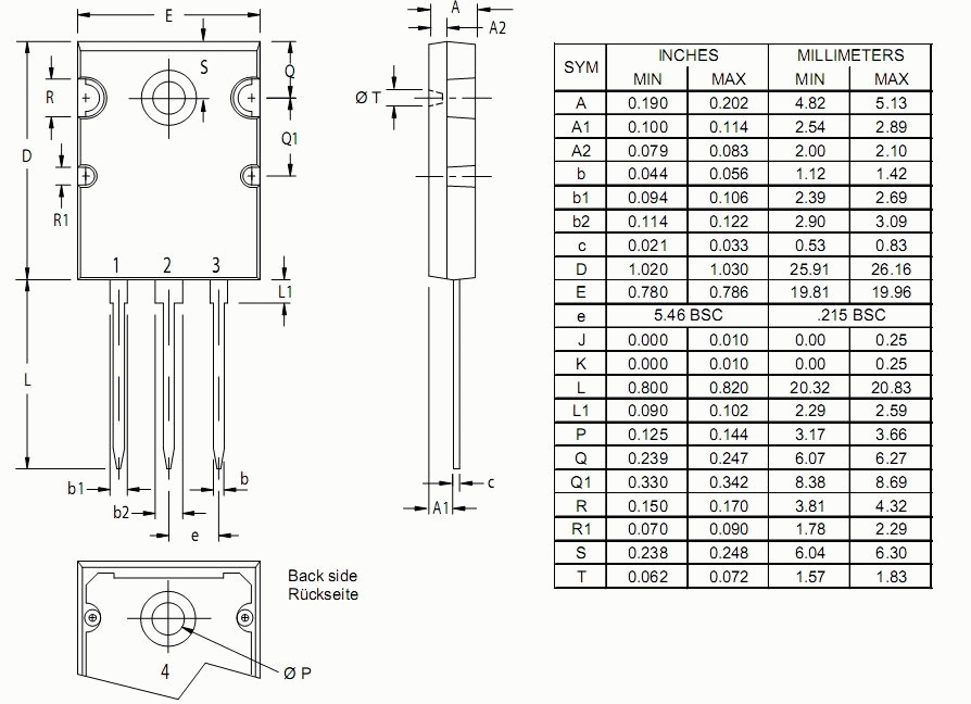
Part number 1MBH60-100 is reportedly available in a TO-264 package.

Properties and Attributes

Maximum Collector Current Ic
60 A
Type of IGBT Channel IGBTChType
N channel
Maximum Power Dissipation Pc
260 W
Maximum Junction Temperature Tj
150 °C
Component Type Type
IGBT
Maximum Collector-Emitter Voltage Vce
1000 V
Collector-Emitter Saturation Voltage (typical) VCE(sat)
3.2 V
Maximum Gate-Emitter Voltage Vge
20 V