Dive in. Get smart. Make some NOISE!
cart icon

BC468A

Properties at a glance

  • Cc
    3.5
    pF
  • ft
    200
    MHz
  • hFE
    120
    β
  • Ic
    0.1
    A
  • Pc
    0.22
    W
  • Pol
    NPN
  • Tj
    125
    °C
  • TranMat
    Si
  • Vcb
    30
    V
  • Vce
    20
    V
  • Veb
    5
    V

Find similar components to the BC468A by clicking the properties (above) that you want to match.

Component Package & Description

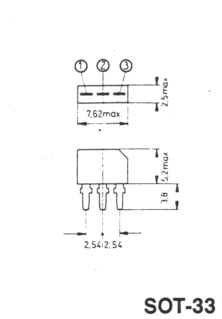
Part number BC468A is reportedly available in a SOT33 package.

Properties and Attributes

Collector Capacity Cc
3.5 pF
Transition Frequency ft
200 MHz
Forward Current Transfer Ratio hFE
120 β
Maximum Collector Current Ic
0.1 A
Maximum Power Dissipation Pc
0.22 W
Polarity Pol
NPN
Maximum Junction Temperature Tj
125 °C
Material of Transistor TranMat
Si
Maximum Collector-Base Voltage Vcb
30 V
Maximum Collector-Emitter Voltage Vce
20 V
Maximum Emitter-Base Voltage Veb
5 V